
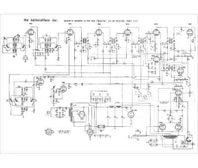
Marque :
Hallicrafters
Modèle :
S-27
Type appareil :
récepteur à tubes
Année :
1941
Pays d'origine :
États-Unis
