
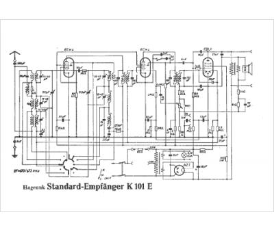
Marque :
Hagenuk
Modèle :
Std K 101 E
Type appareil :
récepteur à tubes
Pays d'origine :
Allemagne
