
Marque :
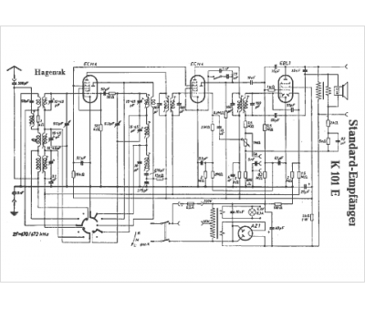
Hagenuk
Modèle :
Standart K 101 E
Type appareil :
récepteur à tubes
Pays d'origine :
Allemagne
