
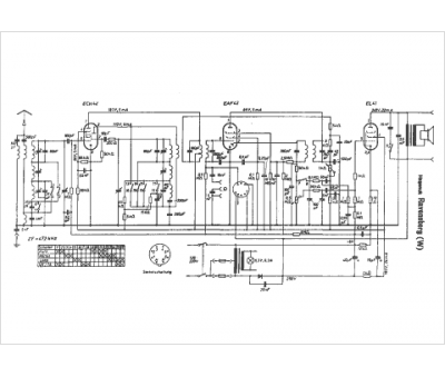
Marque :
Hagenuk
Modèle :
Ravensberg W
Type appareil :
récepteur à tubes
Pays d'origine :
Allemagne
