
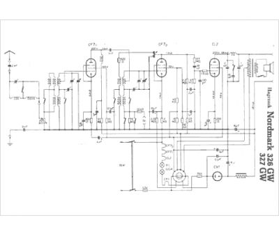
Marque :
Hagenuk
Modèle :
Nordmark 326 GW
Type appareil :
récepteur à tubes
Pays d'origine :
Allemagne
