
Marque :
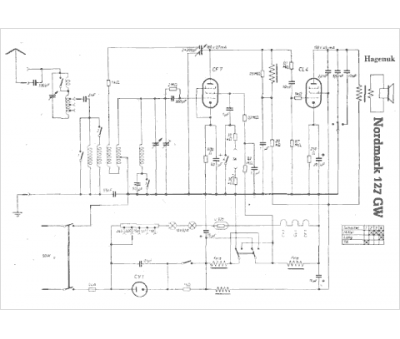
Hagenuk
Modèle :
Nordmark 127 GW
Type appareil :
récepteur à tubes
Pays d'origine :
Allemagne
