
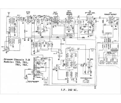
Marque :
Grunow
Modèle :
7-B
Type appareil :
récepteur à tubes
Année :
1938
Pays d'origine :
États-Unis
