
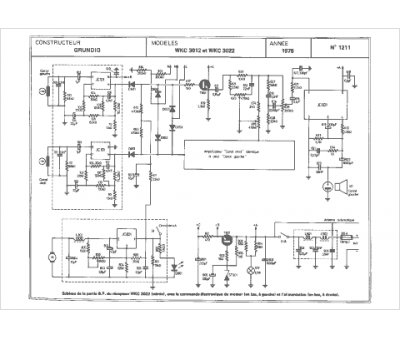
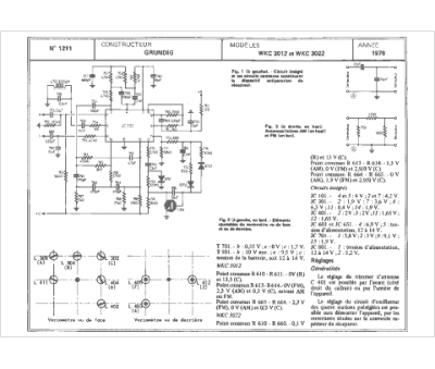
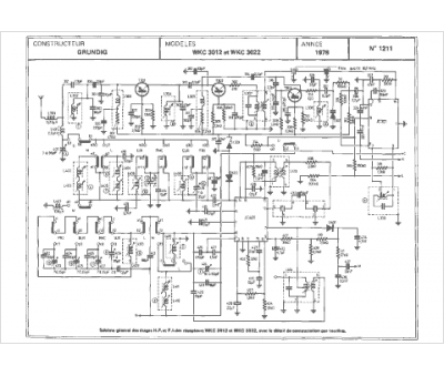
Marque :
Grundig
Modèle :
Wkc 3012
Type appareil :
récepteur à tubes
Année :
1978
Pays d'origine :
Allemagne
