
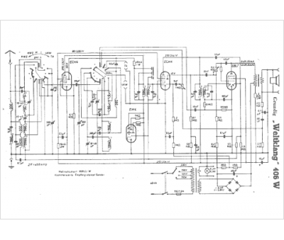
Marque :
Grundig
Modèle :
Weltklang 406 W
Type appareil :
récepteur à tubes
Pays d'origine :
Allemagne
