
Marque :
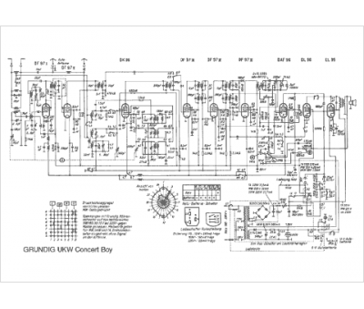
Grundig
Modèle :
UKW Concert Boy
Type appareil :
récepteur à tubes
Pays d'origine :
Allemagne
