
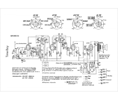
Marque :
Grundig
Modèle :
Time Boy
Type appareil :
récepteur à tubes
Pays d'origine :
Allemagne
