
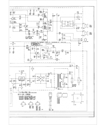
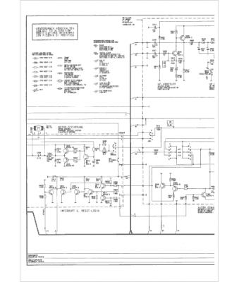
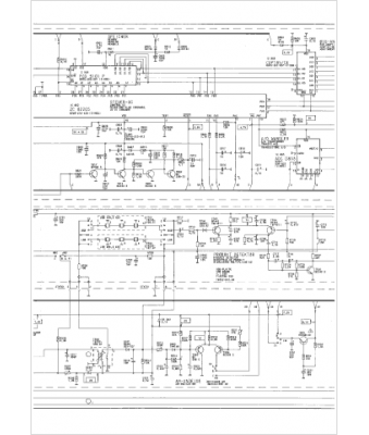
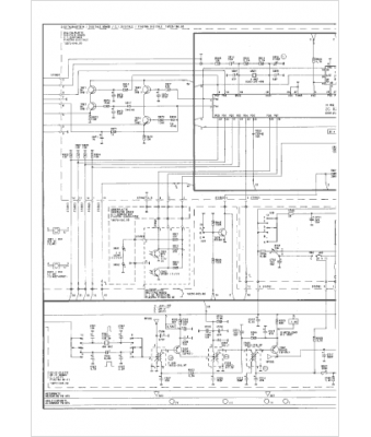
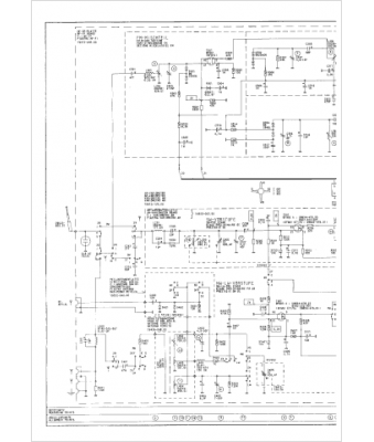
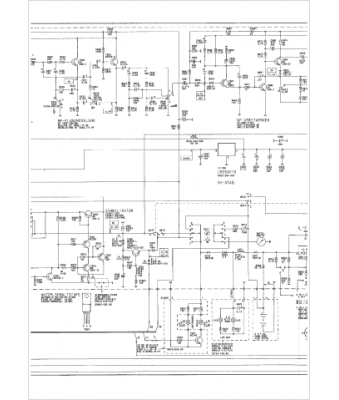
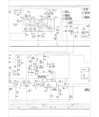
Marque :
Grundig
Modèle :
Satellit 650
Type appareil :
récepteur à transistors
Pays d'origine :
Allemagne
