
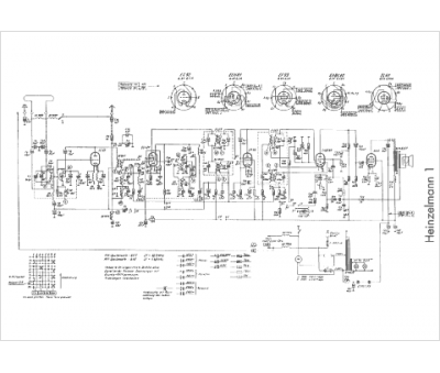
Marque :
Grundig
Modèle :
Heinzelmann 1
Type appareil :
récepteur à tubes
Pays d'origine :
Allemagne
