
Marque :
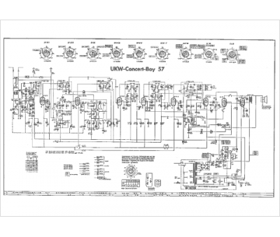
Grundig
Modèle :
Concert Boy 57
Type appareil :
récepteur à tubes
Année :
1957
Pays d'origine :
Allemagne
