
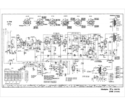
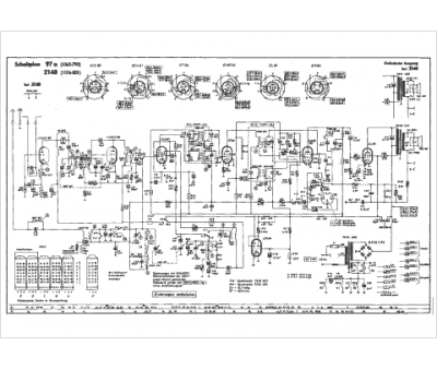
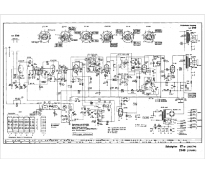
Marque :
Grundig
Modèle :
97 A
Type appareil :
récepteur à tubes
Année :
1960
Pays d'origine :
Allemagne
