
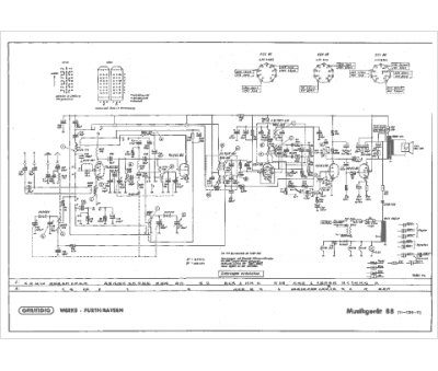
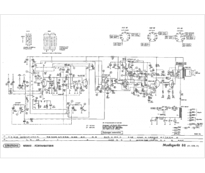
Marque :
Grundig
Modèle :
88
Type appareil :
récepteur à tubes
Année :
1962
Pays d'origine :
Allemagne
