
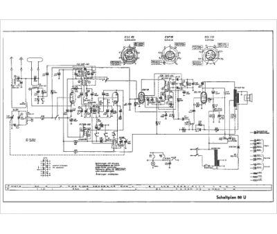
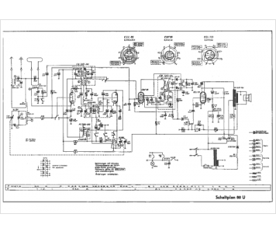
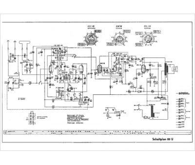
Marque :
Grundig
Modèle :
80 U
Type appareil :
récepteur à tubes
Année :
1955
Pays d'origine :
Allemagne
