
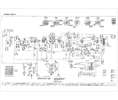
Marque :
Grundig
Modèle :
3089 Ph
Type appareil :
récepteur à tubes
Année :
1957
Pays d'origine :
Allemagne
