
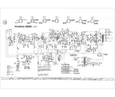
Marque :
Grundig
Modèle :
3059
Type appareil :
récepteur à tubes
Année :
1959
Pays d'origine :
Allemagne
