
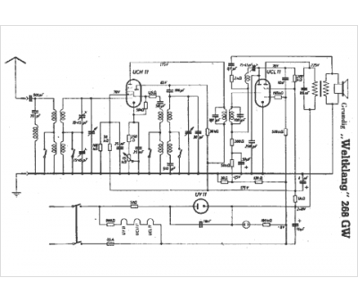
Marque :
Grundig
Modèle :
268 GW
Type appareil :
récepteur à tubes
Pays d'origine :
Allemagne
