
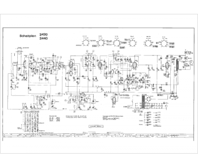
Marque :
Grundig
Modèle :
2440
Type appareil :
récepteur à tubes
Année :
1965
Pays d'origine :
Allemagne
