
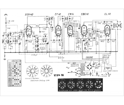
Marque :
Grundig
Modèle :
238 W
Type appareil :
récepteur à tubes
Pays d'origine :
Allemagne
