
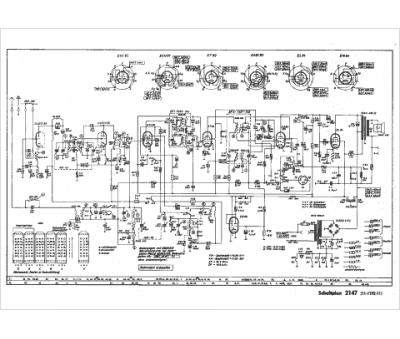
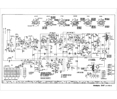
Marque :
Grundig
Modèle :
2147
Type appareil :
récepteur à tubes
Année :
1961
Pays d'origine :
Allemagne
