
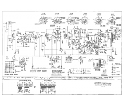
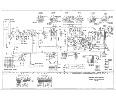
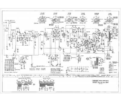
Marque :
Grundig
Modèle :
2098
Type appareil :
récepteur à tubes
Année :
1958
Pays d'origine :
Allemagne
