
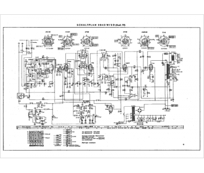
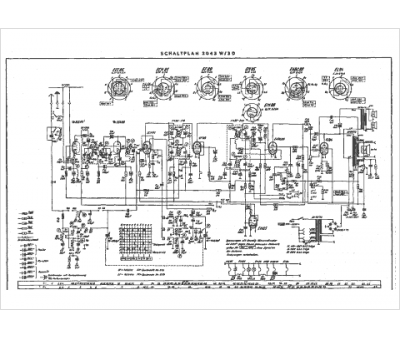
Marque :
Grundig
Modèle :
2043 W-3D
Type appareil :
récepteur à tubes
Pays d'origine :
Allemagne
