
Marque :
Grisby Grunow
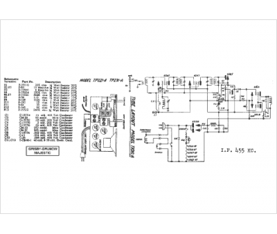
Modèle :
TP221-A
Type appareil :
récepteur à tubes
Pays d'origine :
États-Unis
