
Marque :
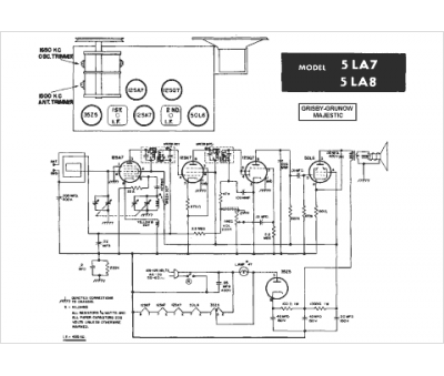
Grisby Grunow
Modèle :
5LA7
Type appareil :
récepteur à tubes
Année :
1953
Pays d'origine :
États-Unis
