
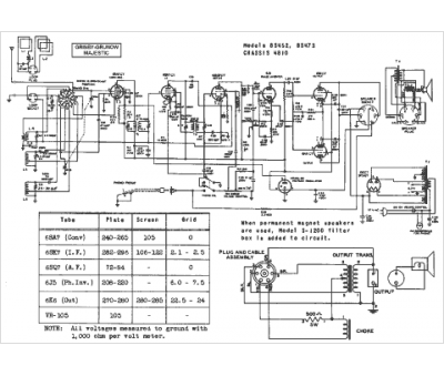
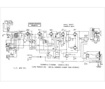
Marque :
Grisby Grunow
Modèle :
4810
Type appareil :
récepteur à tubes
Année :
1947
Pays d'origine :
États-Unis
