
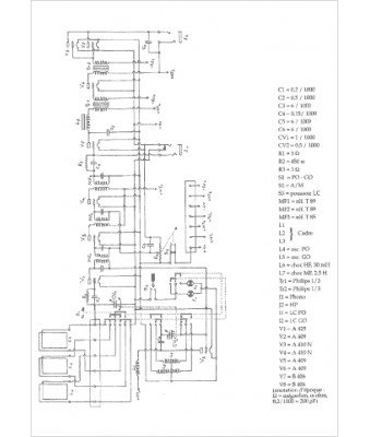
Marque :
Grillet
Modèle :
6 lampes
Type appareil :
récepteur à tubes
Pays d'origine :
France
