
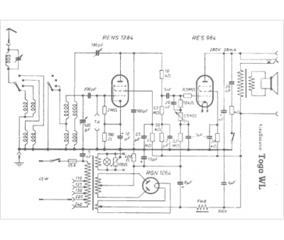
Marque :
Grassmann
Modèle :
Togo WL
Type appareil :
récepteur à tubes
Pays d'origine :
Allemagne
