
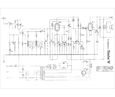
Marque :
Grassmann
Modèle :
Simba W
Type appareil :
récepteur à tubes
Pays d'origine :
Allemagne
