
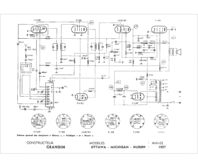
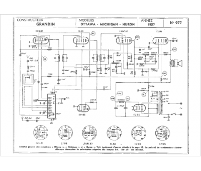
Marque :
Grandin
Modèle :
Michigan
Type appareil :
récepteur à tubes
Année :
1957
Pays d'origine :
France
