
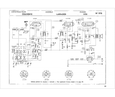
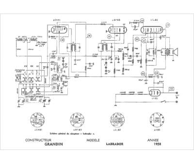
Marque :
Grandin
Modèle :
Labrador
Type appareil :
récepteur à tubes
Année :
1958
Pays d'origine :
France
