
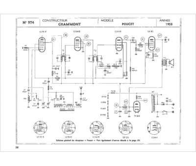
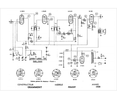
Marque :
Grammont
Modèle :
Poucet
Type appareil :
récepteur à tubes
Année :
1958
Pays d'origine :
France
