
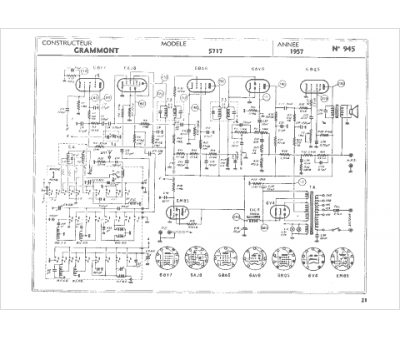
Marque :
Grammont
Modèle :
5717
Type appareil :
récepteur à tubes
Année :
1957
Pays d'origine :
France
