
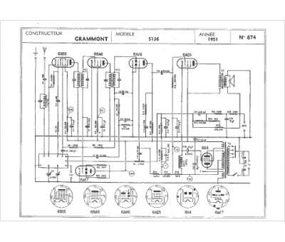
Marque :
Grammont
Modèle :
5136
Type appareil :
récepteur à tubes
Année :
1951
Pays d'origine :
France
