
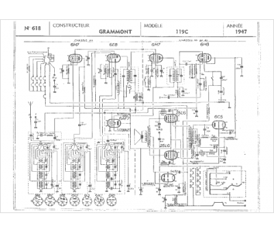
Marque :
Grammont
Modèle :
119 C
Type appareil :
récepteur à tubes
Année :
1947
Pays d'origine :
France
