
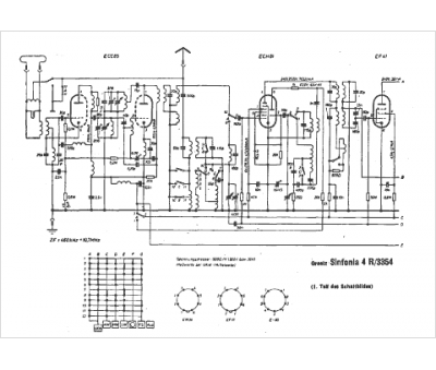
Marque :
Graetz
Modèle :
Sinfonia 4R 3554
Type appareil :
récepteur à tubes
Pays d'origine :
Allemagne
