
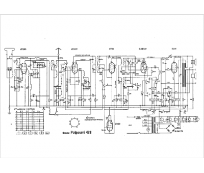
Marque :
Graetz
Modèle :
Potpourri 428
Type appareil :
récepteur à tubes
Pays d'origine :
Allemagne
