
Marque :
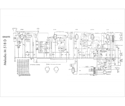
Graetz
Modèle :
Melodia M 518 D
Type appareil :
récepteur à tubes
Pays d'origine :
Allemagne
