
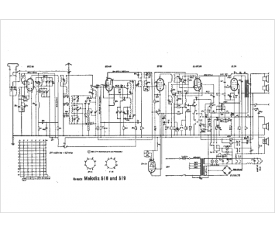
Marque :
Graetz
Modèle :
Melodia 518
Type appareil :
récepteur à tubes
Pays d'origine :
Allemagne
