
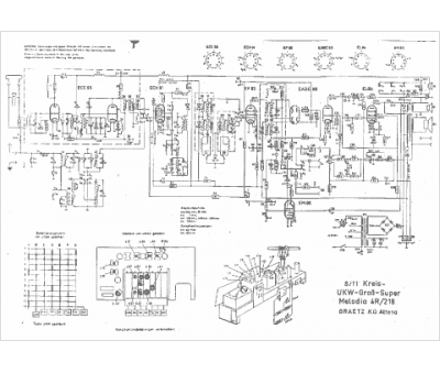
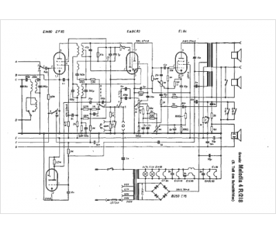
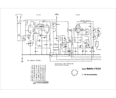
Marque :
Graetz
Modèle :
Melodia 4R 218
Type appareil :
récepteur à tubes
Pays d'origine :
Allemagne
