
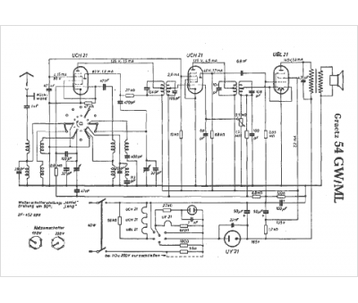
Marque :
Graetz
Modèle :
54 GW-ML
Type appareil :
récepteur à tubes
Pays d'origine :
Allemagne
