
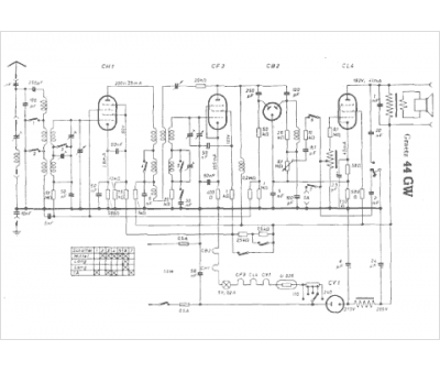
Marque :
Graetz
Modèle :
44 GW
Type appareil :
récepteur à tubes
Pays d'origine :
Allemagne
