
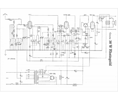
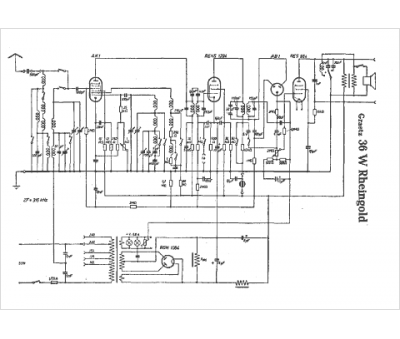
Marque :
Graetz
Modèle :
36 W Rheingold
Type appareil :
récepteur à tubes
Pays d'origine :
Allemagne
