
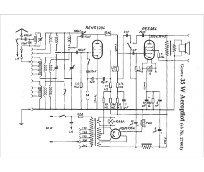
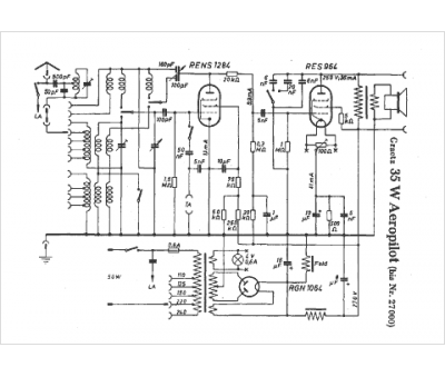
Marque :
Graetz
Modèle :
35 W Aeropilot
Type appareil :
récepteur à tubes
Pays d'origine :
Allemagne
