
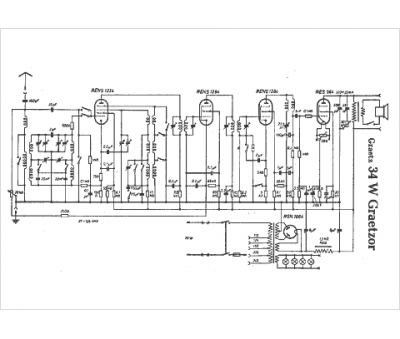
Marque :
Graetz
Modèle :
34 W Graetzor
Type appareil :
récepteur à tubes
Pays d'origine :
Allemagne
