
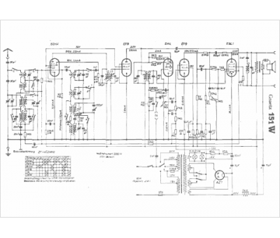
Marque :
Graetz
Modèle :
151 W
Type appareil :
récepteur à tubes
Pays d'origine :
Allemagne
