
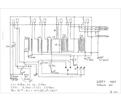
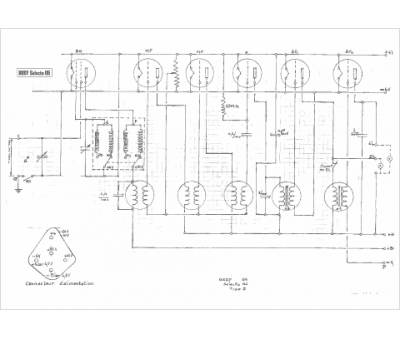
Marque :
Gody
Modèle :
Sélecto g6
Type appareil :
récepteur à tubes
Année :
1927
Pays d'origine :
France
