
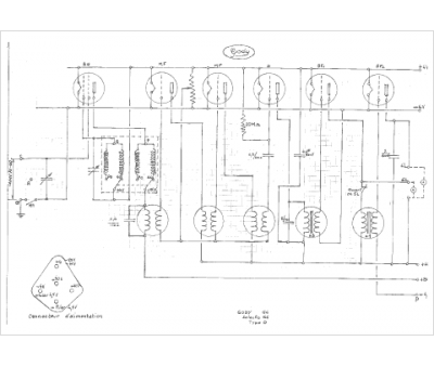
Marque :
Gody
Modèle :
G 6
Type appareil :
récepteur à tubes
Pays d'origine :
France
